Single row cylindrical roller bearings with cage are suitable where:
Bearing arrangements are subjected to very high radial loads
Not only high radial forces but also axial loads from one or both directions must be supported by the bearing position (semi-locating or locating bearing function)
Bearing arrangements must have very high rigidity
Axial displacements of the shaft relative to the housing must be compensated without constraint in the bearing (in the case of bearings with a non-locating or semi-locating bearing function)
High radial loads and very high speeds occur but the very high radial load carrying capacity of full complement cylindrical roller bearings is not required
The bearings should be separable (one bearing ring can be removed for easier mounting)
Bearing arrangements are subjected to very high radial loads
Not only high radial forces but also axial loads from one or both directions must be supported by the bearing position (semi-locating or locating bearing function)
Bearing arrangements must have very high rigidity
Axial displacements of the shaft relative to the housing must be compensated without constraint in the bearing (in the case of bearings with a non-locating or semi-locating bearing function)
High radial loads and very high speeds occur but the very high radial load carrying capacity of full complement cylindrical roller bearings is not required
The bearings should be separable (one bearing ring can be removed for easier mounting)
Ready for your questions
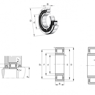
Cylindrical roller bearing
Cylindrical roller bearing NU2219-E-XL-MPAX-C3 FAG
- 95.00
- 170.00
- 43.00
- 4.24
Cylindrical roller bearing
Cylindrical roller bearing NU2219-E-XL-TVP2-C3 FAG
- 95.00
- 170.00
- 43.00
- 3.81