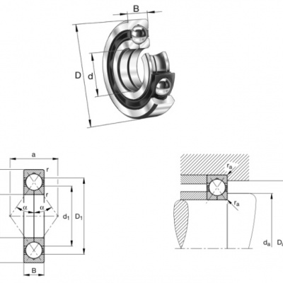
Four point contact ball bearings

Four point contact bearings are particularly suitable where:

Predominantly axial loads must be supported
The axial design envelope is not sufficient for double row radial angular contact ball bearings
Radial forces must be supported by a separate radial bearing
Axial forces occur in both directions and a close axial clearance is required in conjunction with a small bearing width, e. g. in gearbox engineering

Ready for your questions