
- 20.00
- 52.00
- 15.00
- 0.18
- Non Schermato
- Gioco standard
- C - Foro cilindrico
- Gabbia in ottone
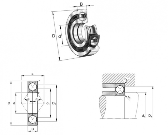
Descrizione
I cuscinetti a quattro punti di contatto sono cuscinetti ad una corona di sfere a contatto obliquo che richiedono quindi in direzione assiale molto meno spazio delle esecuzioni a due corone. I cuscinetti sono composti da anelli esterni massicci, anelli interni in due metà e corone di sfere con gabbie in ottone o poliammide. Gli anelli interni divisi in due parti consentono l’impiego di un maggior numero di sfere. Le metà dell’anello interno sono adattate al cuscinetto corrispondente e non vanno scambiate con quelle di cuscinetti della stessa dimensione. L’anello esterno con la corona di sfere e le metà dell’anello interno possono essere montati separatamente.