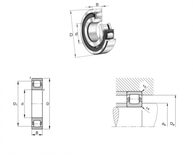
Cuscinetto radiale orientabile ad una corona di rulli 20213-TVP FAG

  • 65.00
  • 120.00
  • 23.00
  • 1.08
  • Non Schermato
  • Gioco standard
  • C - Foro cilindrico
  • Gabbia in poliammide
Descrizione

Cuscinetti radiali orientabili ad una corona di rulli sono cuscinetti a rulli con adattabilità angolare. Sono composti da anelli esterni massicci con pista di rotolamento cava, anelli interni massicci con due bordi, con foro cilindrico o conico, con rulli a botte e gabbie. I cuscinetti non sono scomponibili. I cuscinetti radiali orientabili ad una corona di rulli sono particolarmente adatti, dove si verificano elevati carichi radiali ad urto e dove bisogna compensare errori di allineamento, vedere compensazione di errori angolari. La loro capacità di carico assiale è ridotta.

Pronti per ogni tua domanda