
- 150.00
- 270.00
- 73.00
- 18.95
- Non Schermato
- Gioco standard
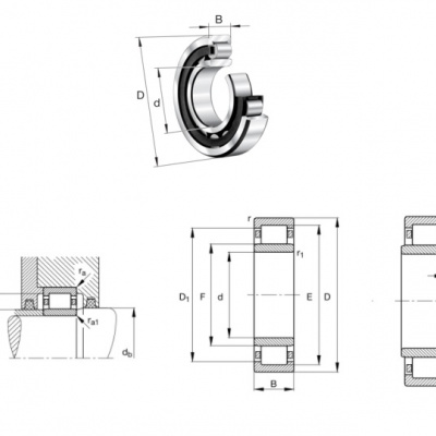
- C - Foro cilindrico
- Gabbia in ottone
Descrizione
DESCRIZIONE I cuscinetti ad una corona di rulli cilindrici ISB hanno versioni differenti e sempre scomponibili, al fine di facilitarne il montaggio. VANTAGGI I cuscinetti e i rulli sono in grado di sopportare elevati carichi radiali e di raggiungere velocità elevate. I rulli e la relativa gabbia possono essere guidati dall’anello interno o da quello esterno. L’anello che ha il compito di guidare i rulli è munito di orli, mentre il secondo non ne possiede ed è sfilabile. CARATTERISTICHE TECNICHE I cuscinetti ISB ad una corona di rulli cilindrici con orli su entrambi gli anelli possono sopportare carichi assiali oltre a quelli radiali. Questa resistenza ai carichi assiali dipende da lubrificazione, temperatura di utilizzo e dissipazione di calore del cuscinetto.