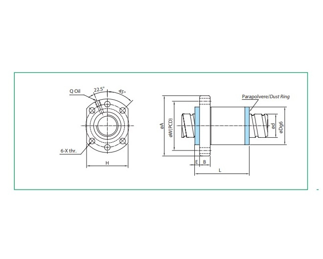
Chiocciola singola SFH01616-A1 Flangia doppia fresatura

Pronti per ogni tua domanda