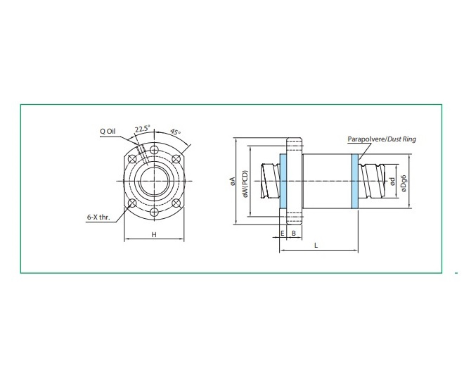
Chiocciola singola SFH01616-B1 Flangia doppia fresatura

Pronti per ogni tua domanda