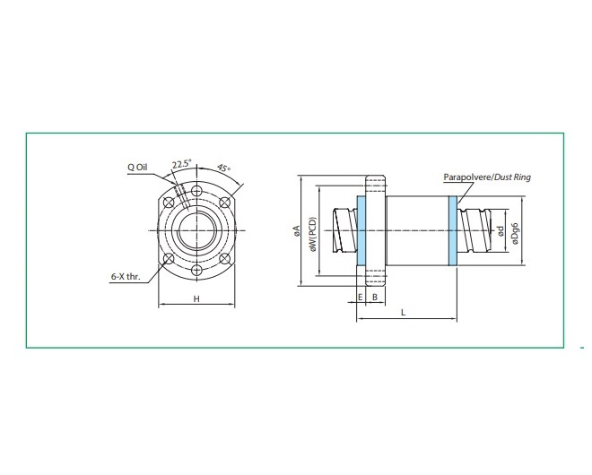
Chiocciola singola SFH03232-B1 Flangia doppia fresatura

Pronti per ogni tua domanda