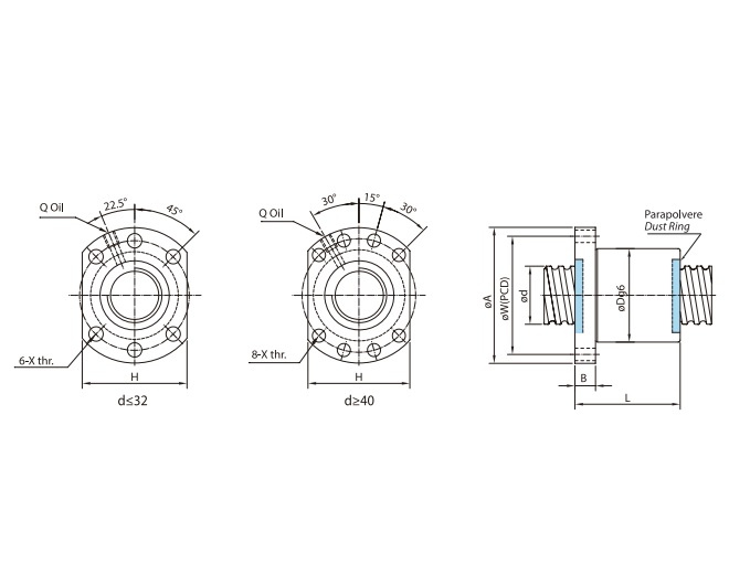
Chiocciola singola SFU06310-T4 ISB Flangia doppia fresatura, tipo standard

Pronti per ogni tua domanda