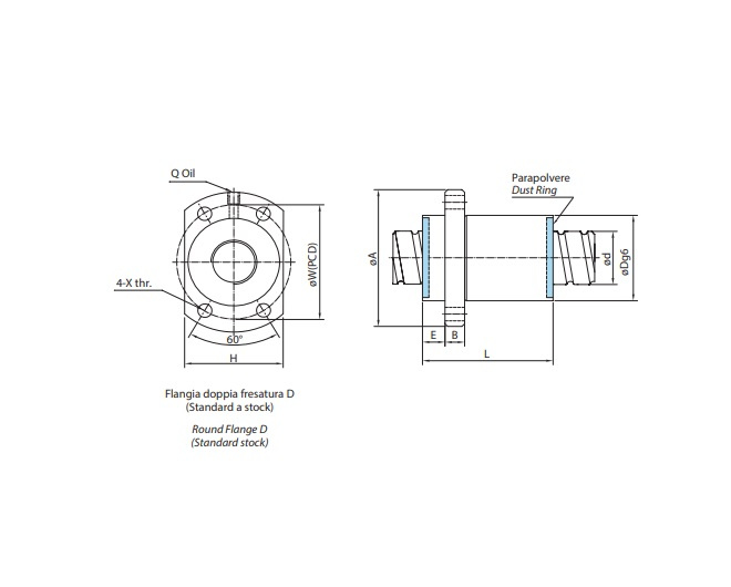
Chiocciola singola SFY05050-B1 ISB Flangia doppia fresatura, tipo standard

Pronti per ogni tua domanda