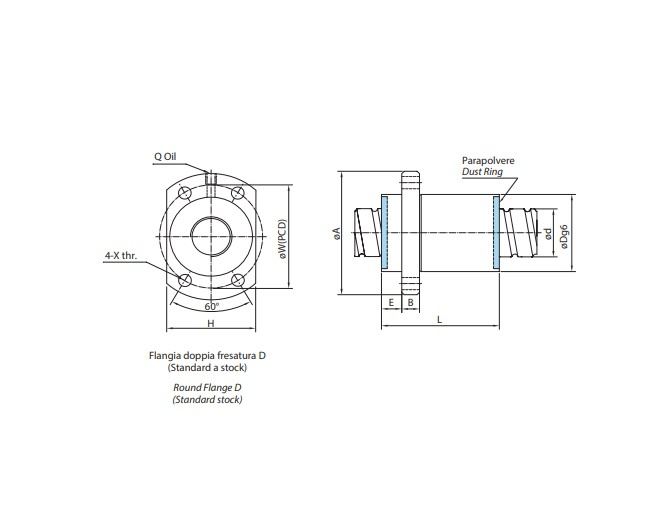
Single nut SFY03232-B2 ISB Double cutting flange, conventional standard stock

Ready for your questions