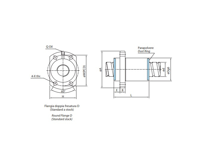
Single nut SFY04040-A2 ISB Double cutting flange, conventional standard stock

Ready for your questions